It looks like you're new here. If you want to get involved, click one of these buttons!
I was part of the 2019 MAC get together 5 component 2 way challenge, it was fun, and while it was possible to do with less, 5 seemed a reasonable minimum.
When thinking about a 3 way, it would seem a well behaved trio of drivers should be possible with around 10 components on the low end.
But if you need any response shaping, or alu cone breakup suppression, it could easily balloon to twice or more than that very quickly.
For those who have made a three way passive crossover, curious just how many components were required?
Comments
Purveyor 15 parts
Bottleships 16 parts
Monoculus 13 parts
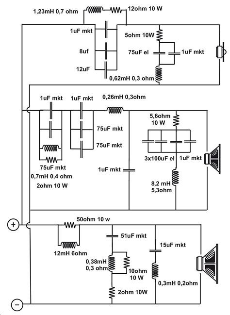
Attitudes 25 parts
Xenoliths 16 parts
In doing 3ways, I would think 12 parts would be the good stopping point without risking bad sound qualities. I and a few others had much better performance in the Bare Minimum challenge adding just one more part for 6 total in 2ways. (The one for sure exception being Bill's 1st order 3ways.) However, more parts may be required.
InDIYana Event Website
I'm still a noob, but I have made 4 three-ways (two that I actually consider final)
16 parts
16 parts
16 parts
13 parts
Totally Flat: 12 parts
Totally Flat MK II: 19 parts
Kowaxial: 14 parts
Retro Speako: 17 parts
Plumber's Delight: 13 parts
Diffractorama (aka Doctor Diffraction): 11 parts
Matrix Revolution build (modified version of Scott's design): 15 parts
Avg parts: 14.4
I have a couple more 3 ways, but they are passive/active affairs. I think you are only looking at passive 3 ways.
I'm pretty lean averaging around 12 parts for a 3 way, tho the last 3 way was 17 parts. That's typically a red flag for me, meaning I don't like something
I think 427 parts is to many.
It takes what it takes to hit your design goals.
I personally feel that if my crossover parts cost (somewhat related to crossover parts count) exceeds my driver costs I made a poor decision somewhere when pairing up the drivers for that project.
But 426 arranged hemisphericly is perfect.
The incentive: lower parts count (at your target all-in Xover price) = > max qual caps for tw, then mid, then the lowly woofer. And sometimes that driver just needs to go back on the shelf…
. . . Or into the DSP-only pile . . .
Or return it....and the DSP.
InDIYana Event Website
NEVER.
I don't try to judge a crossover design simply by parts count. I always look at cost to benefit ratio. 3 components that cost $10 that are well chosen can provide greater benefit than a single $50 component that's not. Similarly, consider the cost of boutique components vs the benefit of spending the same money on better drivers. I'd rather have a Revelator with cheap crossover components and well designed crossover than a Dayton RS with fancy boutique crossover parts any day.
All of the two-way designs on my page are between 6 and 10 components. 3-way designs have wound up between 11 and 14 components. Even most of my unpublished designs have fallen within those ranges, with the exception of one 2-way that I really had to beat into shape with 13 parts.
Sehlin Sound Solutions
I only build others' designs, but in my travels on the Internet I've had an optic at some three ways. I considered building the Saffrons but the parts count and XO layout were beyond my budget and skill level at the time.
"Tarkus": 13
"Saffrons" TMM: 21 (830656x2, BC25TG tweeter)
"Crazy Again": (again, a a TMM)" 16 (830656x2, XTSC90 tweeter)
"Three Six Fives": 21 (830657, Peerless dome and Vifa XTSC90)
Everyone would know the Tarkus and the Saffrons won a 'Best Iron Driver' competition in 2012. The last two projects are from a German magazine.
I suppose a TMM isn't really a three way but the parts count put them in the same $$ category.
Further to PWRRYD's comments above, for the last three projects the XO parts cost more than the drivers in Oz. This is not the case for his 'Tre Stemmes' 3 ways - which I'd love to build but the cabinet size wouldn't pass WAF...
I've also seen a TM with the Dayton RS180 and RS28A which had 22 parts, which completely bamboozled me.
Geoff