It looks like you're new here. If you want to get involved, click one of these buttons!
So a friend of mine, we'll call him "Dubbsy" is a local musician who has started recording in his home "studio". After giving his EP a critical listen (by request) I determined he probably shouldn't be doing his own mixes lol. At the least, he should be mixing on better speakers than (what I recently discovered he was using) the generic PC speakers he is currently using.
Since I have some spare time and a plethora of parts, I decided I am going to build a pair he can use instead. Dynavox 5" poly and the Dayton ND25 waveguide will work just fine.
I cut and glued the cabinets this afternoon, and possibly tomorrow will do facets and driver rebates. We will see, it is Mrs JRs birthday. Otherwise after Indy.
Anyways, quickie projects are fun.

Comments
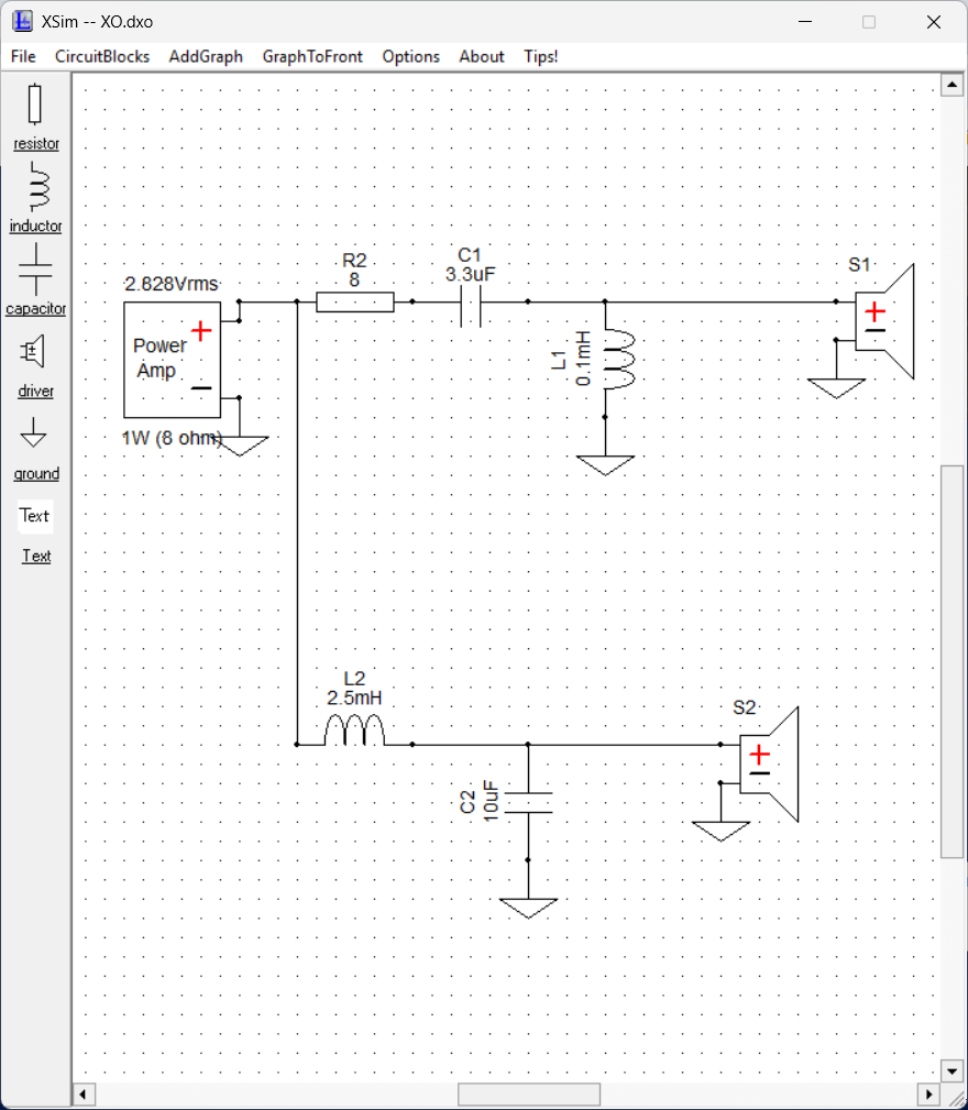
Should see F3 of ~50Hz in this box:
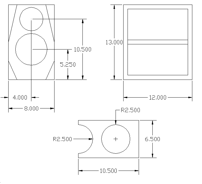
Here is the CAD if anyone is interested:
So anyways, facets etc later and I'm guessing this is actually going to be better than I think.
That should be a frickin huge upgrade! That's mighty awesome of you, JRðð»
Shawn's Ze Clonads should make an appearance this InDIYana weekend with the same Dyn5 as these, Nick's Moon Drops, and my Vijon. While the design is almost 20 years old now, it uses the 15 ltr low tuned cabinet with an F3 of 32Hz. The bass is fantastic!
InDIYana Event Website
Unfortunately, even with an extended break-in period I could not derive similar T/s parameters. It is ok, however. 50Hz is still fine for the size of driver and enclosure.
I had planned on a build with the Dynavox 5" in the BR-1 cabs and a wg-148 waveguided tweeter...I'll be following this
I used the 6.5" Dyn with a wg-148. Mates it to a Seas tweeter. It was ok.
Had plenty of time to think about this one today, travel and four hour layovers will have that effect.
When I get back from Indy, I am going to finish making sawdust and start sealing them for finishing.
I am going to do my best to target ultra flat on-axis while paying attention to off-axis. Normally I work in a slight downward spectral tilt on-axis as I find this yields the most pleasant experience for me. However, since he has also asked my help on making things "sound right" I figure neutral is the way to go here. Sadly, it appears the 5" Dyn is now a unicorn. Luckily I have four of them.
This young man has quite a few up and coming musician friends so I may be able to leverage this into a few potential sales. Just have to come up with a repeatable design, seems distributors keep pulling the rug out from under me.
Side note: he just joined a band as a bassist, they play funk inspired grunge. Interesting.
So, Pearl Jam with funky slap bass?
InDIYana Event Website
Pretty much. They are all pretty young, so should be interesting to see what they come up with.
This is a neat build, I hope to hear these someday at a DIY. Combined with a good 2ch amp like one of the TPA3255 units or a really good 2ch amp like the Buckeye Hypex NC252MP, these should be bitchin'.
Looking good
So I threw them on the test stand and came up with a five element crossover that sounds pretty good. Good enough for this kind of project anyways.
So anyways, quick and simple - with solid sound that will blow away his little PC speakers.
For what these are, they are very nice. Should be a great addition to my friends home studio. As soon as I remember I'll post a link to some of his stuff, it is pure demo quality at this time - he is still learning how to record and master things - but he has some interesting stuff going on.
Something's not top notch? 5+1 or 3/4 are my favorites, goes low enough for music, are small, easy to XO.
Anything that could have been better - compared to your SB 5" maybe?
There are some limitations in the tweeter is all, while not bad at all just remember I spend a lot of time listening to ribbon tweeters.
I liked them. High performance/price design.